更多菲尼克斯傳感器、菲尼克斯繼電器、菲尼克斯開關請咨詢菲尼克斯電氣服務商
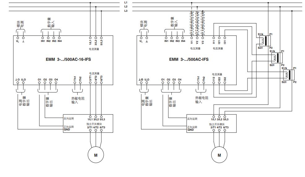
電子馬達管理器(EMM)電子馬達管理器模塊具有進行現代化有功功率監視的所有優點。馬達管理器適用于高性能應用,可測量和監視馬達運行狀態。EMM模塊提供高性能的參數監測功能,只是不提供負載驅動功能。
***大功率
開關和信號的閾值參數可自由設定,實現對過載和欠載的監控。閾值的默認設置可同時針對兩個旋轉方向或分別針對正轉/反轉。參數設定取決于實際消耗的功率(通過三相電流、電壓和相位角算出),因而可提供比單獨考慮電流時更加***的計算值,與電壓波動和驅動負載無關。如果高于或低于設定的開關閾值,EMM模塊會立刻(或在一個可調的“延時”之后)執行馬達急停操作。此外,還會通過輸出發送信息。這種狀態只能通過給定的復位進行解除。 如果消耗的有效功率高于或低于信息閾值,僅會送出一個持續一段時間的反饋信號,用來跳開模塊。
Interface系統Interface系統(IFS)由可通過DIN導軌連接器進11行相互連接的設備組成。網 關 *** 多 可 連 接 32臺IFS設 備 , 是Interface系統的核心, 且管理各站點。Interface系統特性:– 通過DIN導軌連接器使用Interface系統,實現數據的參數化、診斷以及相互交換– 與規定的IFS附件兼容– 通過DIN導軌連接器為設備(如,EMM...IFS、ELR...IFS、EMGATEWAY-IFS)提供24 V供電電壓
電子馬達管理器
EMM馬達管理器(帶或不帶電流變送器)用于所有功能等級的監視器并保護三相負載,如電氣驅動器。– 開關或信號的閾值參數可自由設定– 數字量輸出控制外部開關裝置– 可通過DIN導軌連接器連接Interface系統(如IFS網關)



