
|
店鋪基本資料信息
|
|||||||||||||||||||||||
|
|
LCS-2 |
|
開關距離 Sn |
2 ... 30 mm |
|
安全的開關距離 |
24.3 mm |
電氣數據
|
保護電路 |
反極性保護 |
性能數據
|
供電電壓 UB |
10 ... 30 V, DC |
|
剩余波紋度 |
0 ... 10 % |
|
開路電流 |
10 mA |
|
溫度漂移,***大(Sr 的百分比) |
10 % |
|
重復精度,***大(Sr 的百分比) |
5 % |
|
測量工作電流 |
200 mA |
輸出
|
數字開關量輸出數 |
1 光束 |
開關量輸出
|
類型 |
數字開關量輸出 |
|
電壓類型 |
DC |
開關量輸出1
|
開關元件 |
晶體管, NPN |
|
開關原理 |
NO (常開) |
時序
|
開關頻率 |
100 Hz |
連接
|
接口數量 |
1 光束 |
連接1
|
功能 |
供電電源 |
|
類型 |
電纜 |
|
電纜長度 |
2,000 mm |
|
護套材料 |
PVC |
|
導線數量 |
3 芯 |
|
核心截面 |
0.35 mm² |
機械參數
|
設計 |
圓柱形 |
|
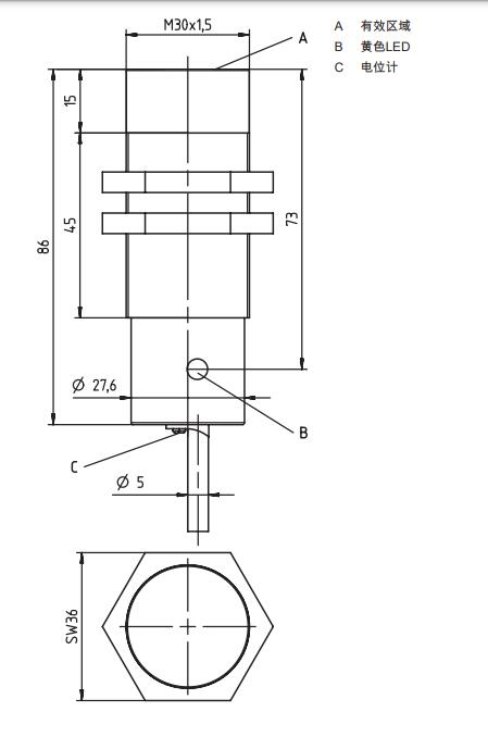
螺紋規格 |
M30 x 1.5 mm |
|
尺寸 (Ø x L) |
30 mm x 85 mm |
|
安裝類型 |
非齊平 |
|
外殼材料 |
塑料 |
|
塑料外殼 |
聚丙烯 (PBT) |
|
感光面材料 |
塑料, 聚丙烯 (PBT) |
|
蓋材料 |
塑料, 聚丙烯 (PBT) |
操作和顯示
|
顯示類型 |
LED |
|
LED數 |
1 光束 |
|
操作控制 |
多匝旋鈕 |
|
操作控制功能 |
靈敏度設置 |
|
可調節的開關距離 |
是 |
環境數據
|
環境溫度,工作 |
-25 ... 70 °C |
認證
|
防護等級 |
IP 67 |
|
安全等級 |
III |
|
應用標準 |
IEC 60947-5-2 |
分類
|
稅率編號 |
85365019 |
|
ECLASS 5.1.4 |
27270102 |
|
ECLASS 8.0 |
27270102 |
|
ECLASS 9.0 |
27270102 |
|
ECLASS 10.0 |
27270102 |
|
ECLASS 11.0 |
27270102 |
|
ECLASS 12.0 |
27274201 |
|
ECLASS 13.0 |
27274201 |
|
ETIM 5.0 |
EC002715 |
|
ETIM 6.0 |
EC002715 |
|
ETIM 7.0 |
EC002715 |
|
ETIM 8.0 |
EC002715 |

|
|
|
品類齊全
省心省力,一站購齊
一對一客服
選型詢價,快速響應
貨期保障
多倉直發,貨期無憂
正品貨源
正品保障,誠信服務




