
|
店鋪基本資料信息
|
|||||||||||||||||||||||||
應用:
帶有安全功能的限位開關適用于滑動連接和鉸鏈連接,使用時必須封閉,以保證使用的安全。
本章中所示的所有1級安全開關在與安全控制模塊組合使用時能達到類別3或4,依據ISO 13849-1。
1級限位開關的進一步應用多數是各種各樣的定位職能。各種各樣的操動元件可滿足許多日常任務的要求。
設計及操作方式:
在1級限位開關上,防護裝置和肯定斷開NC觸點正連接。
所有安全開關外殼的防護等級為IP 67 安全開關可以安裝在任何需要的安裝位置。

|
施邁賽限位開關MS 330-11Y-M20 直桿S |
|
|
l金屬外殼 |
|
|
l長壽命 |
|
|
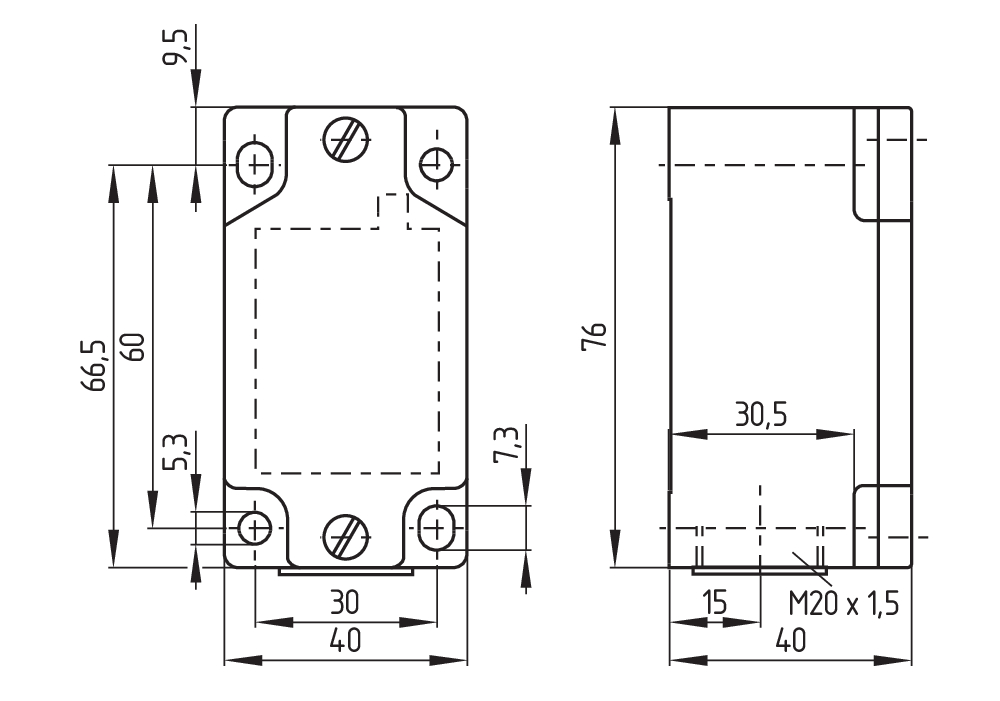
l40 mm x 76 mm x 40 mm ( 基本結構)/ 適合低操作速度 |
|
|
l1 電纜進口 M 20 x 1.5 /無硅 |
|
|
l可在變電所應用 |
|
標準 |
EN IEC 60947-5-1 |
|
作用原理
|
機械式
|
|
外殼材料
|
輕合金壓鑄,油漆飾面
|
|
外殼涂層材料
|
涂色 |
|
|
|
|
觸點材料,電氣 |
銀 |
|
毛重
|
217g |
|
開啟器數量 |
1 |
|
關閉器數量 |
1 |
|
|
|
|
B10D 常閉觸點(NC) |
20,000,000 操作 |
|
執行元件 |
直桿 |
|
機械壽命,***少 |
30,000,000 操作 |
|
操作角度 |
20 ° |
|
操作動力,***小 |
17.5 N |
|
接觸窗口 |
2 x 0.5 mm |
|
操動速度,***小 |
1 mm/min |
|
開關點的重復精度 |
0.02 |
|
終端連接器 |
螺絲端子 M20 x 1.5 |
|
線纜截面,***小 |
1.5 mm² |
|
電纜截面,***大 |
2.5 mm² |
|
注(電纜截面) |
所有的電纜截面表示包括了導線和線耳 |
|
線纜截面 |
13 AWG |
六、機械參數-尺寸
|
傳感器長度 |
40 mm |
|
傳感器寬度 |
40 mm |
|
傳感器高度 |
87 mm |
|
直桿直徑 |
9mm |
|
防護等級 |
IP65 |
|
環境溫度,***小 |
-30 °C |
|
抗沖擊 |
50 g / 6 ms |
|
額定絕緣電壓 |
250 V |
|
額定沖擊耐受電壓 |
4 kV |
|
熱測試電流 |
6 A |
|
應用類別 AC-15 |
230 VAC |
|
應用類別 AC-15 |
2.5 A |
|
開關元件 |
NO觸點,NC觸點 |
|
注(開關元件) |
電鍍分離式觸點橋 |
|
開關原理 |
速動 |
|
回彈時間,大 |
43,221 ms |
|
切換時間,大 |
10 ms |



專業銷售施邁賽限位開關、施邁賽安全磁傳感器 、施邁賽安全監控模塊、施邁賽安全開關傳感器等。歡迎來電咨詢!
品類齊全
省心省力,一站購齊
一對一客服
選型詢價,快速響應
貨期保障
多倉直發,貨期無憂
正品貨源
正品保障,誠信服務




