
|
店鋪基本資料信息
|
|||||||||||||||||||||||||||
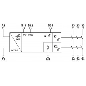
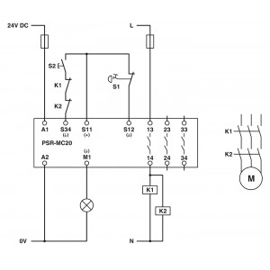
PSR-CE 系列經濟款菲尼克斯繼電器
l PSR-CE1 適用于急停、行程開關、安全門鎖、拉繩開關等“常閉觸點型傳感器”監控
l PSR-CE2 適用于安全光幕、激光掃描儀、非接觸式感應開關(OSSD)等“24V DC有源信號輸出傳感器”監控
l PSR-CE3 適用于上述所有傳感器
l PSR-CE2、PSR-CE3 具有帶監控的手動復位功能
l ***高符合 Cat. 4,PL e(EN ISO 13849-1)、SIL 3(EN 61508)、SILCL 3(EN 62061)
l 輸出為3個常開觸點、1個常閉觸點
l 模塊寬度22.5mm,可插拔式螺釘端子



一、產品屬性
|
產品類型 |
安全繼電器 |
|
應用 |
急停按鈕 |
|
安全門 |
|
|
電磁開關 |
|
|
繼電器型號 |
帶機械聯鎖觸點的機電式繼電器,符合IEC/EN 61810-3標準 |
|
額定操作模式 |
100 %符合條件 |
|
額定絕緣電壓 |
250 V AC |
|
額定絕緣電壓 |
250 V AC |
|
額定過電壓/絕緣 |
輸入電路與常開安全觸點輸出(13/14)、常開安全觸點輸出 (23/24)、常開安全觸點輸出(33/34)之間6 kV增強型隔離耐壓 所有電流通路與外殼之間4 kV基礎安全隔離 |
|
名稱 |
A1/A2 |
|
額定控制電路電源電壓 US |
20.4 V DC 26.4 V DC |
|
額定控制電路電源電壓US |
24 V DC -15 % / +10 % |
|
額定控制電源電流IS |
典型值 80 mA |
|
US時的功耗 |
典型值 1.92 W |
|
沖擊電流 |
5 A (Δt = 200 µs Us時) |
|
延遲時間 |
1 ms (在A1處,在電壓驟降Us的情況下) |
|
保護電路 |
浪涌保護; 抑制二極管 |
|
額定控制電源電壓的反極性保護 |
|
安全數據 |
|
|
停止類別 |
0 |
|
安全數據: EN ISO 13849 |
|
|
分類 |
1 (根據應用場合,***高至4類) |
|
性能等級(PL) |
c (根據應用場合,***高至PL e) |
|
安全數據: IEC 61508 - 高要求 |
|
|
安全完整性水平(SIL) |
1 (根據應用場合,***高至SIL 3) |
|
每小時危險故障可能性(PFHD) |
1.5 x 10-9 (4 A DC13;5 A AC15;8760次開關循環/年) |
|
認證測試周期 |
240 月 |
|
使用周期 |
240 月 |
|
安全數據: IEC 61508 - 低要求 |
|
|
安全完整性水平(SIL) |
1 (根據應用場合,***高至SIL 3) |
|
所需求的危險故障可能性(PFHAVG) |
1.46 x 10-4 |
|
認證測試周期 |
60 月 |
|
使用周期 |
240 月 |
|
寬度 |
12.5 mm |
|
高度 |
112.2 mm |
|
深度 |
114.5 mm |
品類齊全
省心省力,一站購齊
一對一客服
選型詢價,快速響應
貨期保障
多倉直發,貨期無憂
正品貨源
正品保障,誠信服務




