
|
店鋪基本資料信息
|
|||||||||||||||||||||||||||
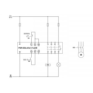
l PSR-CE1 適用于急停、行程開關、安全門鎖、拉繩開關等“常閉觸點型傳感器”監控
l PSR-CE2 適用于安全光幕、激光掃描儀、非接觸式感應開關(OSSD)等“24V DC有源信號輸出傳感器”監控
l PSR-CE3 適用于上述所有傳感器
l PSR-CE2、PSR-CE3 具有帶監控的手動復位功能
l ***高符合 Cat. 4,PL e(EN ISO 13849-1)、SIL 3(EN 61508)、SILCL 3(EN 62061)
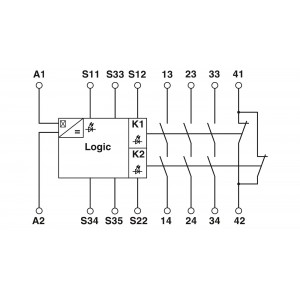
l 輸出為3個常開觸點、1個常閉觸點 ,模塊寬度22.5mm,可插拔式螺釘端子


菲尼克斯繼電器,用于急停、安全門和光柵監控,安全等級可達SIL 3或EN ISO 13849標準的Cat. 4、PL e,單或雙通道運行,3個啟用電流通路,額定輸入電壓:24 V AC/DC,采用直插連接的插拔式接線端子

|
產品類型 |
安全繼電器 |
|
應用 |
急停按鈕 |
|
安全門 |
|
|
光柵 |
|
|
機械壽命 |
約 107 開關次數 |
|
繼電器型號 |
帶機械聯鎖觸點的機電式繼電器,符合IEC/EN 61810-3標準 |
|
額定條件下的***大功耗 |
1.68 W |
|
額定操作模式 |
100 %符合條件 |
|
額定絕緣電壓 |
250 V |
|
額定過電壓/絕緣 |
4 kV /基本絕緣(安全隔離,加強絕緣及在A1-A2/邏輯/常開安全觸點輸出和顯示輸出之間為6kV) |
|
安全數據 |
|
|
停止類別 |
0 |
|
安全數據: EN ISO 13849 |
|
|
分類 |
4 |
|
性能等級(PL) |
e |
|
安全數據: IEC 61508 - 高要求 |
|
|
名稱 |
數據僅適用于每年至少需要啟動一次安全功能和回讀信號觸點的情況。 |
|
安全完整性水平(SIL) |
3 |
|
SFF單通道 |
100 % |
|
SFF雙通道 |
96.11 % |
|
平均危險故障時間 (MTTFD) |
205243年數 |
|
每小時危險故障可能性(PFHD) |
5.56 x 10-10 |
|
診斷范圍(DC) |
91.1 % |
|
認證測試周期 |
240月 |
|
使用周期 |
240月 |
|
安全數據: IEC 61508 - 低要求 |
|
|
名稱 |
該數據僅在需求率不超過每年一次的情況下生效。 |
|
安全完整性水平(SIL) |
3 |
|
SFF單通道 |
100 % |
|
SFF雙通道 |
80.35 % |
|
平均危險故障時間 (MTTFD) |
17913年數 |
|
所需求的危險故障可能性(PFHAVG) |
1.50 x10-4 |
|
診斷范圍(DC) |
0 % |
|
認證測試周期 |
75月 |
|
使用周期 |
240月 |
|
寬度 |
22.5 mm |
|
高度 |
112 mm |
|
深度 |
114.5 mm |
品類齊全
省心省力,一站購齊
一對一客服
選型詢價,快速響應
貨期保障
多倉直發,貨期無憂
正品貨源
正品保障,誠信服務




