PSR-CE 系列經濟款菲尼克斯繼電器
l PSR-CE1 適用于急停、行程開關、安全門鎖、拉繩開關等“常閉觸點型傳感器”監控
l PSR-CE2 適用于安全光幕、激光掃描儀、非接觸式感應開關(OSSD)等“24V DC有源信號輸出傳感器”監控
l PSR-CE3 適用于上述所有傳感器
l PSR-CE2、PSR-CE3 具有帶監控的手動復位功能
l ***高符合 Cat. 4,PL e(EN ISO 13849-1)、SIL 3(EN 61508)、SILCL 3(EN 62061)
l 輸出為3個常開觸點、1個常閉觸點 。模塊寬度22.5mm,可插拔式螺釘端子


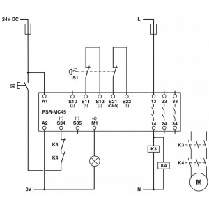
菲尼克斯繼電器,用于急停、安全門和光柵,安全等級可達SIL 3、Cat. 4、PL e,單通道或雙通道運行,自動或手動、受控啟動,3個啟用電流路徑,US = 24 V DC,插拔式螺釘接線端子

一、產品屬性
|
產品類型
|
安全繼電器
|
|
應用
|
急停按鈕
|
|
安全門
|
|
發送應答機
|
|
光柵
|
|
|
帶機械聯鎖觸點的機電式繼電器,符合IEC/EN 61810-3標準
|
二、電氣特性
|
額定條件下的***大功耗
|
17.21W(在UB=30V ,IL²=72 A²時)
|
|
額定操作模式
|
100%符合條件
|
|
額定絕緣電壓
|
250VAC
|
|
額定絕緣電壓
|
250VAC
|
|
額定過電壓/絕緣
|
所有電流通路之間4kV基礎安全隔離
|
|
所有電流通路與外殼之間的4kV基本絕緣
|
三、電源
|
名稱
|
A1/A2
|
|
額定控制電路電源電壓 US
|
19.2 V DC ... 30 V DC
|
|
額定控制電路電源電壓US
|
24 V DC -20 % / +25 % (外部保險絲)
|
|
額定控制電源電流IS
|
典型值 75 mA
|
|
US時的功耗
|
典型值 1.8 W
|
|
沖擊電流
|
典型值 2.2 A (Δt = 300 µs Us時)
|
|
延遲時間
|
1 ms (在A1處,在電壓驟降Us的情況下)
|
|
保護電路
|
串聯保護,防止極性反轉
|
|
33 V抑制二極管
|
四、特性
|
安全數據
|
|
停止類別
|
0
|
|
安全數據: EN ISO 13849
|
|
分類
|
4
|
|
性能等級(PL)
|
e (5 A DC13;8760次開關/年或5 AAC15;2190次開關/年)
|
|
安全數據: IEC 61508 - 低要求
|
|
設備類型
|
A類
|
|
安全完整性水平(SIL)
|
3
|
|
所需求的危險故障可能性(PFHAVG)
|
1.16 x 10-4
|
|
認證測試周期
|
56月
|
|
使用周期
|
240月
|
六、尺寸
|
寬度
|
22.5 mm
|
|
高度
|
112.4 mm
|
|
深度
|
114.5 mm
|
專業銷售菲尼克斯交換機 、菲尼克斯繼電器、菲尼克斯浪涌保護器等。歡迎來電咨詢!