
|
店鋪基本資料信息
|
|||||||||||||||||||||||||||
PSR-CE 系列經濟款菲尼克斯繼電器
l PSR-CE1 適用于急停、行程開關、安全門鎖、拉繩開關等“常閉觸點型傳感器”監控
l PSR-CE2 適用于安全光幕、激光掃描儀、非接觸式感應開關(OSSD)等“24V DC有源信號輸出傳感器”監控
l PSR-CE3 適用于上述所有傳感器
l PSR-CE2、PSR-CE3 具有帶監控的手動復位功能
l ***高符合 Cat. 4,PL e(EN ISO 13849-1)、SIL 3(EN 61508)、SILCL 3(EN 62061)
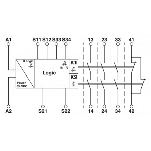
l 輸出為3個常開觸點、1個常閉觸點 ,


菲尼克斯繼電器內含35個安全繼電器的套組,用于急停和安全門監控,安全等級可達EN ISO 13849標準的SIL 3或Cat. 4、PL e,雙通道運行,3個啟用電流路徑,24 V DC額定輸入電壓,插拔式螺釘接線端子

|
產品類型 |
安全繼電器 |
|
應用 |
急停按鈕 |
|
|
安全門 |
|
機械壽命 |
約107開關次數 |
|
繼電器型號 |
帶機械聯鎖觸點的機電式繼電器,符合IEC/EN61810-3標準 |
|
額定控制電路電源電壓US |
24VDC-15%/+10% |
|
US時的功耗 |
典型值1.68W(DC) |
|
額定控制電源電流IS |
典型值70mA |
|
以UN為參考的輸入電壓范圍 |
0.85...1.1 |
|
UN下的典型輸入電流 |
70mADC(US時) |
|
沖擊電流 |
<3.5 A(Δt=3msUs時) |
|
|
<100mA(Δt=500ms,Us/Ix下的S12處) |
|
|
>-100mA(Δt=300ms,Us/Ix下的S22處) |
|
|
<6mA(Us/Ix至S34) |
|
電耗量 |
典型值38mA(S12) |
|
|
典型值-38mA(S22) |
|
|
典型值1mA(Us/Ix 至S34) |
|
輸入/啟動和回饋電路的電壓 |
大約24VDC |
|
延遲時間 |
5ms(在A1處,在電壓驟降Us的情況下) |
|
|
不允許測試脈沖 |
|
典型響應時間 |
150ms(自動啟動) |
|
典型啟動時間(Us時) |
250ms(通過A1控制時,有Us) |
|
典型釋放時間 |
20ms(根據需要,通過傳感器回路) |
|
|
45ms(根據需要,通過A1) |
|
并行 |
∞ |
|
恢復時間 |
1s(符合安全功能的要求) |
|
|
<1s(啟動時間) |
|
保護電路 |
浪涌保護;抑制二極管 |
|
額定條件下的***大功 耗 |
16.44W(US=26.4V,IL²=72A²,PTotalmax=2.04W+14.4W) |
|
額定操作模式 |
100%符合條件 |
|
額定絕緣電壓 |
250 V |
|
額定過電壓/絕緣 |
請見章節“絕緣配合” |
|
安全數據 |
|
|
停止類別 |
0 |
|
安全數據:ENISO 13849 |
|
|
分類 |
4 |
|
性能級別(PL) |
e (5 A DC13;5 A AC15;8760次開關次數/年) |
|
安全數據: IEC 61508 - 高要求 |
|
|
設備類型 |
A類 |
|
安全完整性水平(SIL) |
3 |
|
每小時危險故障可能(PFHD) |
5.05 x 10-10 (5 A DC13;5 A AC15;8760次開關次數/年) |
|
認證測試周期 |
240 月 |
|
使用周期 |
240 月 |
|
安全數據: IEC 61508 - 低要求 |
|
|
設備類型 |
A類 |
|
安全完整性水平(SIL) |
3 |
|
所需求的危險故障可能性(PFHAVG) |
1.37 x 10-4 |
|
認證測試周期 |
66月 |
|
寬度 |
22.5mm |
|
高度 |
99mm |
|
深度 |
114.5mm |
|
外殼材料 |
尼龍 |
|
外殼顏色 |
黃色 |
專業銷售菲尼克斯交換機 、菲尼克斯繼電器、菲尼克斯浪涌保護器等。歡迎來電咨詢!
品類齊全
省心省力,一站購齊
一對一客服
選型詢價,快速響應
貨期保障
多倉直發,貨期無憂
正品貨源
正品保障,誠信服務




