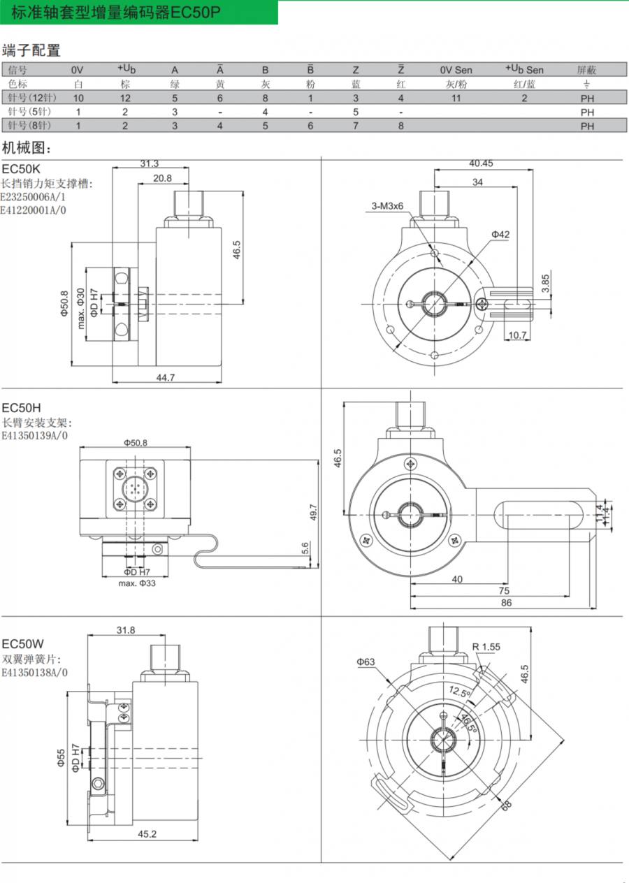
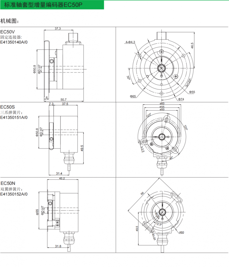
宜科編碼器:標準軸套型增量編碼器EC50P
產品特點:金屬外殼、兼容性好、高防護等級、高分辨率、適合測量角度
歡迎廣大用戶向我們咨詢:宜科編碼器,宜科傳感器,宜科模塊,宜科接近開關,elco編碼器,elco傳感器,elco模塊,elco光電傳感器,elco連接器,elco燃燒器,宜科官網,瑞士宜科官網,elco宜科官網,宜科編碼器官網,宜科傳感器官網,宜科接近開關官網,elco官網,瑞士宜科編碼器官網,宜科(天津)電子有限公司,天津宜科編碼器等產品!
品類齊全
省心省力,一站購齊
一對一客服
選型詢價,快速響應
貨期保障
多倉直發,貨期無憂
正品貨源
正品保障,誠信服務
聯系方式
電話:021-80392549
服務時間 8:30~18:00
掃一掃,聯系我們