一,工博士機器人GBS165—C2650產品特點
1、實現了機器人機構部的輕量化、苗條化。
2、通過輕量化的手臂和新的控制技術大幅度提高了動作性能,從而大幅度提高了單位時間的生產效率。
3、能夠提供以點焊改良電纜手臂為代表的多種多樣的可選配置,從而滿足用戶的各種要求。
4、可以使用學習機器人功能、散堆工件拾取功能、力覺傳感器、視覺追蹤功能等各種***新的智能化功能。
二、工博士機器人GBS165—K2650產品性能

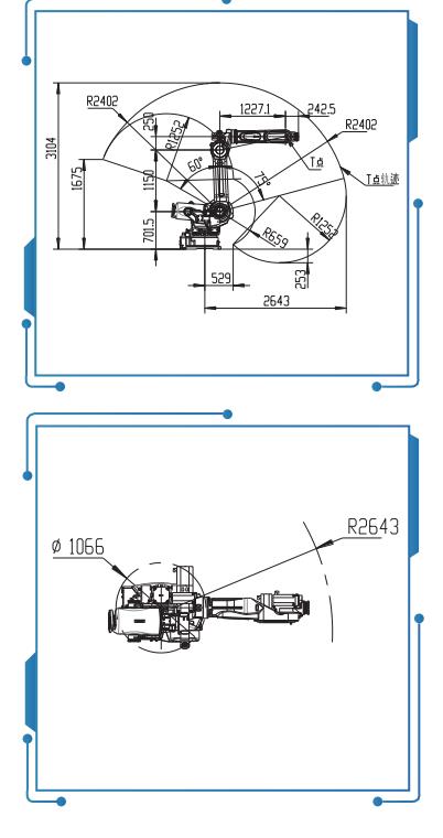
三、工博士機器人GBS165—K2650運動范圍

四、工博士機器人GBS165—K2650外觀及安裝尺寸
詳情請咨詢:工博士機器人服務集成