| 形狀 | 測量范圍 | 光點 直徑 |
靜止 分辨率 * |
電纜 長度 |
型號 |
|---|---|---|---|---|---|
![]() |
![]() |
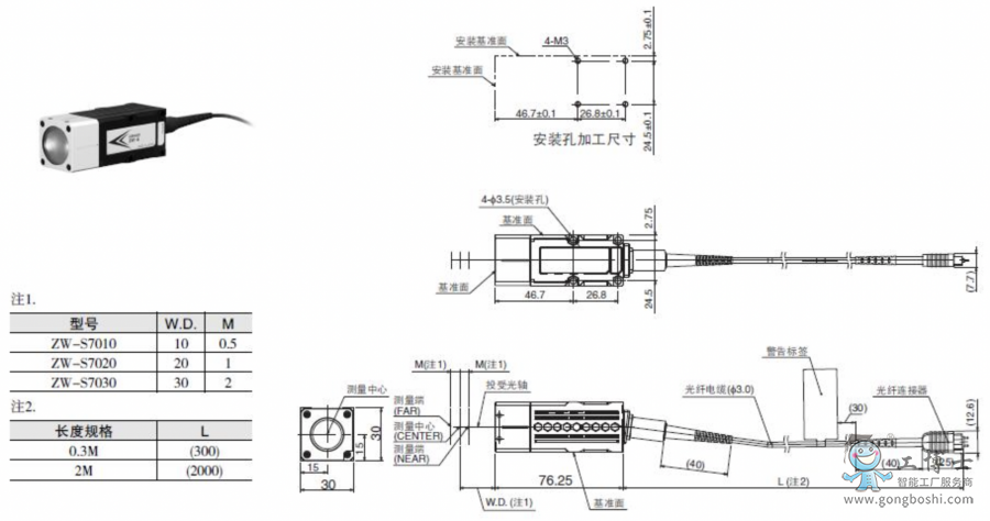
ZW-S7010 2M |
|||
| ZW-S7010 0.3M |
|||||
![]() |
ZW-S7020 2M |
||||
| ZW-S7020 0.3M |
|||||
![]() |
ZW-S7030 2M |
||||
| ZW-S7030 0.3M |
在線客服
企業微信



[VIP第2年] 指數:1
通過認證 









































