具有可靠的性能
我們有能力解決您的任何自動化問題,同時確保節能、低成本并提高生產效率。
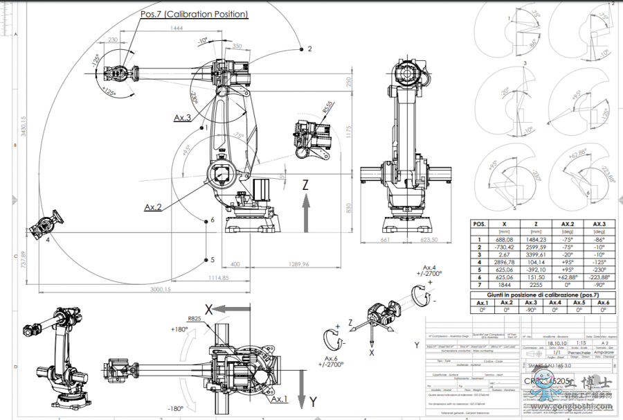
技術規格 NJ-165-3.0
軸數6
大負載(公斤)165
前臂附加負載(公斤)50
大工作半徑(毫米)3000
第4軸的扭矩(Nm)1230
第5軸的扭矩(Nm)1230
第6軸的扭矩(Nm)712
第1軸行程+/- 180° (100°/s)
第2軸行程-95° / +180° (90°/s)
第3軸行程-10° / -256° (110°/s)
第4軸行程+/- 2700° (130°/s)
第5軸行程+/- 125° (130°/s)
第6軸行程+/- 2700° (195°/s)
重復精度(毫米)0.09
工具連接法蘭ISO 9409 – 1 – A 160
機器人重量(公斤)1240 kg
防護等級IP65 / IP67
裝機方式Floor / Ceiling
工作范圍A(毫米)3430
工作范圍B(毫米)3000
工作范圍C(毫米)2600
工作范圍D(毫米)730
工作范圍E(毫米)738
機器人應用于
裝配
機床上下料
涂膠
日化密封
搬運/包裝
測量/測試
拋光/去毛刺
等離子切割/水切割
折彎
加工處理
木制品/玻璃加工
激光焊接與切割
沖壓連線
點焊

更多資訊,柯馬機器人