遨博協作機器人憑借著強大的多功能性廣泛應用于眾多行業和應用領域,讓生產自動化,讓效益*大化。遨博協作機器人是一款具 有核心自主知識產權及全國產化的協作機器人。遨博協作機器人具備拖動示教功能和軌跡學習功能,用戶可直接手動拖拽機械臂編程,機械臂可自動學習用戶示教軌跡以及以往的運行軌跡。圖形化的操作及示教方式、樹形結構的編程方式也可確保沒有編程經驗的普通工人能在10分鐘內完成一次簡單使用。
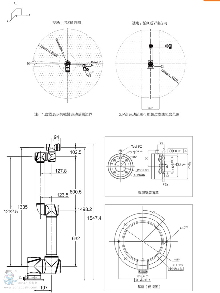
AUBO-i10是負載*大的遨博協作機器人
可勝任末端負載為10kg以下的自動化作業
臂展為1563.2mm,可滿足工作范圍在1350mm以內的作業任務
i10協作機器人可應用在汽車制造、金屬加工、食品、醫藥、物流
等行業,實現上下料、裝配、鎖螺絲、噴粉、打磨、焊接等應用

AUBO遨博機器人相關型號:AUBO-i3 ,AUBO-i5 ,AUBO-i7 , AUBO-i10, AUBO-i16
AUBO遨博機器人加速版AUBO-i3S ,AUBO-i5S ,AUBO-i7S, AUBO-i10S, AUBO-i16S