菲尼克斯電氣用于多種安全功能的安全繼電器
安全繼電器可靠監控設備或系統的功能安全。
如需急停、光柵、安全門或雙手控制等安全功能,
可選擇成熟的PSRclassic標準型或寬度僅6 mm和12 mm的PSRmini超薄型。
或者,也可將兩種型號組合,提高應用的安全性。
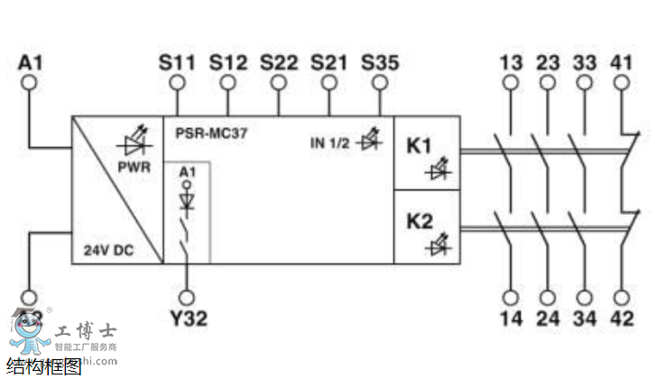
安全繼電器 - PSR-MC37-3NO-1NC-24DC-SC - 2702411
用于急停、安全門和電梯的安全繼電器,
安全等級達SILCL 3、Cat. 4和PL e,
單通道或雙通道運行,自動或手動啟動,交叉電路檢測,
3路常開安全觸點輸出,US = 24 V DC,可插拔的螺釘接線端子
結構圖:
