菲尼克斯電氣用于多種安全功能的安全繼電器
安全繼電器可靠監控設備或系統的功能安全。
如需急停、光柵、安全門或雙手控制等安全功能,
可選擇成熟的PSRclassic標準型或寬度僅6 mm和12 mm的PSRmini超薄型。
或者,也可將兩種型號組合,提高應用的安全性。
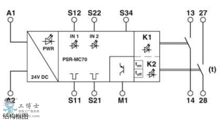
安全繼電器 - PSR-MC70-2NO-1DO-24DC-SP - 2702095
用于急停、安全門、光柵的安全繼電器,
滿足SILCL 1、Cat.1類、PL e,
單通道或雙通道運行,交叉回路監測,可重新觸發,
回落/接通延遲0.2 s至60 s,2個啟用電流路徑,
US = 24 V DC,可插拔的直插式接線端子
結構圖:
