菲尼克斯電氣用于多種安全功能的安全繼電器
安全繼電器可靠監控設備或系統的功能安全。
如需急停、光柵、安全門或雙手控制等安全功能,
可選擇成熟的PSRclassic標準型或寬度僅6 mm和12 mm的PSRmini超薄型。
或者,也可將兩種型號組合,提高應用的安全性。
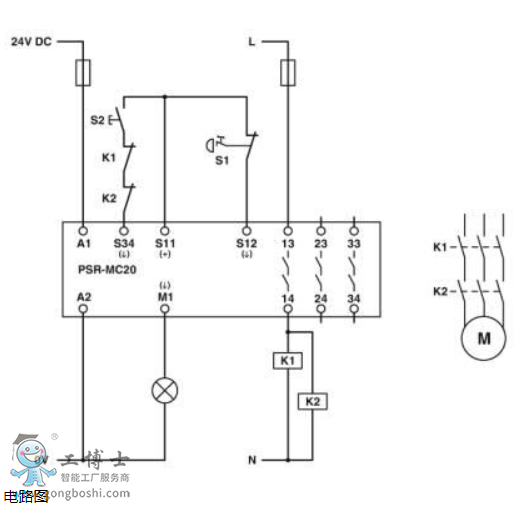
安全繼電器 - PSR-MC20-3NO-1DO-24DC-SP - 2700467
用于急停/安全門的安全繼電器,滿足SILCL 1、Cat.1類、PL c,
依據滿足以下條件的應用:SILCL 3、Cat.4類、PL e,單通道運行,
自動/手動起動,3個啟用電流路徑,US = 24 V DC,
可插拔的直插式接線端子
電路圖:
