簡介
適用于高精度3D激光加工等用途 提高機械臂剛性,且通過大功率伺服電機提高動作靈活應對力,達到高速的直線軌跡精度以及高精度圓度軌跡。
主要參數
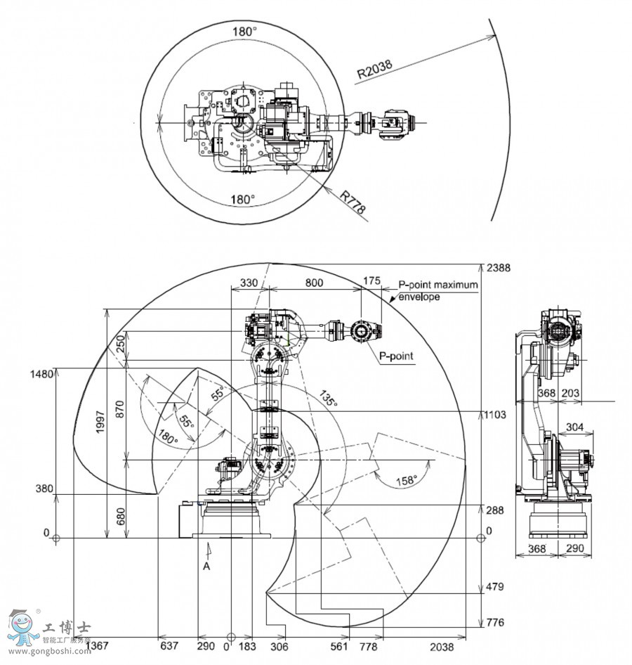
高速、高軌跡精度機械臂*大負載達50KG,在*大負載范圍內可以對應各種各樣的激光加工方式激光振蕩器的高度匹配性
| 機器人型號: |
MC2000Ⅱ |
| 自由度: |
6 |
| 水平伸長度: |
2038mm |
| 可搬質量: |
50kg*4 |
| 本體質量: |
845kg |
| 重復定位精度: |
±0.07mm |
| 安裝方式: |
置地式 |
| 用途: |
弧焊、激光加工、搬運、其他 |
特點
高速、高軌跡精度;機械臂*大負載達50KG,在*大負載范圍內可以對應各種各樣的激光加工方式;激光振蕩器的高度匹配性。
