內置式抓手控制氣管、搭載線纜,降低機器人與周邊設備的碰撞
| 機器人型號 |
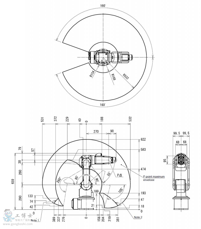
MH3F |
| 適用控制柜 |
FS100*4 |
| 設置*1 |
F,W,C |
| 自由度 |
6 |
| 可搬質量 |
3kg |
| 垂直伸長度 |
804mm |
| 水平伸長度 |
532mm |
| 重復定位精度*2 |
±0.03mm |
| 動作范圍 |
S軸(旋轉) |
-160° ~ +160° |
| L軸(下臂) |
-85° ~ +90° |
| E軸(肘) |
- |
| U軸(上臂) |
-105° ~ +260° |
| R軸(手腕旋轉) |
-170° ~ +170° |
| B軸(手腕擺動) |
-120° ~ +120° |
| T軸(手腕回轉) |
-360° ~ +360° |
| *大速度 |
S軸(旋轉) |
200°/s |
| L軸(下臂) |
150°/s |
| E軸(肘) |
- |
| U軸(上臂) |
190°/s |
| R軸(手腕旋轉) |
300°/s |
| B軸(手腕擺動) |
300°/s |
| T軸(手腕回轉) |
420°/s |
| 容許力矩 |
R軸(手腕旋轉) |
5.39N.m |
| B軸(手腕擺動) |
5.39N.m |
| T軸(手腕回轉) |
2.94N.m |
容許慣性力矩
(GD2/4) |
R軸(手腕旋轉) |
0.1kg.m2 |
| B軸(手腕擺動) |
0.1kg.m2 |
| T軸(手腕回轉) |
0.03kg.m2 |
| 本體質量 |
27kg |
| 電源容量*3 |
0.5kVA |
*1:F=置地式,W=掛壁式,C=倒掛式,S=支架式(掛壁式時,S軸的動作會有限制,請注意。)
*2:JIS B 8432為基準。
*3:因用途,動作模式而異。
*4:只限搬運用途。
*5:超過1KG的情況因動作范圍有異。請根據對應的負載使用正確的動作范圍。
*6:MH6F的時候是1.0kVA。
*7:HP20F的時候是1.5kVA。
*8:斜線部分表示的是S軸在-40° ~ +30°的時候P點無法動作的范圍。

