


| 產品闡述 | ||
| Diffuse mode sensor | ||
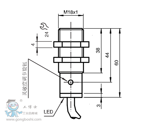
| General specifications | ||
| Detection range | 0 ... 200 mm | |
| Light source | IRED , 880 nm | |
| Light type | infrared | |
| Diameter of the light spot | approx. 40 mm at 200 mm | |
| Indicators/operating means | ||
| Function indicator | Dual color-LED, yellow/green | |
| yellow: switching state | ||
| green: power on | ||
| flashing: stability control | ||
| Control elements | Sensing range adjuster | |
| Electrical specifications | ||
| Operating voltage | 10 ... 30 V DC , class 2 | |
| Output | ||
| Switching type | light/dark on electrically switchable | |
| Signal output | 1 PNP output, short-circuit protected, reverse polarity protected, open collector | |
| Approvals and certificates | ||
| Approvals | CE, cULus Listed 57M3 (Only in association with UL Class 2 power supply; Type 1 enclosure) | |
| Mechanical specifications | ||
| Degree of protection | IP67 | |
| Connection | 2 m fixed cable | |
| Material | ||
| Housing | brass, nickel-plated | |
| Optical face | PC | |

P+F超聲波傳感器*常用的模式是漫反射模式。單個超聲波傳感器既是發射器又是接收器,并且通常包含相應的電子處理元件在同一個外殼內。為了可靠地檢測困難目標物,大多數的漫反射模式傳感器可以通過軟件參數設置,轉換為反射板模式。有的超聲波傳感器從一開始就提供了反射板模式的傳感器。
超聲波對射式傳感器的特點是具有一個強有力的聲束。他們在緊湊的外殼下,可實現更大的檢測范圍。不同于漫反射和反射板模式的傳感器,對射式的傳感器不需要在發射和接收之間連續轉換,或者等待一個回波信號的到達。所以,他們響應的時間非常快,可以實現非常高的開關頻率。
雙張檢測傳感器是超聲波對射式傳感器,是給紙應用的*佳解決方案,包括雙張檢測,標簽計數,和粘合點檢測。
雙張檢測和雙材料檢測傳感器,能夠區分空氣、一張和兩張材料,包括紙張,金屬,木板,和玻璃片。
當進行標簽檢測時,傳感器可以區分標簽和基底材料。
附送的標準附件為節省成本提供了巨大的潛力。當安裝和維護傳感器的時候,都可以節省大量的時間和精力。如果傳感器在惡劣的環境條件下使用,合適的倍加福提供的附件可以延長傳感器的使用壽命。

產品特點:
直接檢測型的超聲波傳感器有開關量和模擬量輸出。所有支持窗口模式功能的直接檢測型傳感器都可作為反射板型傳感器使用(見反射板型傳感器)。
| 倍加福超聲波傳感器型號漫反射和反射板型傳感器參考型號說明 | ||
| UB500-18GM75-E7-V15 | UB500-18GM75-E7-V15 | UB800-18GM40A-I-V1 |
| UB2000-30GM-H3 | UB2000-30GM-H3 | UB6000-30GM-E5-V15 |
| UC4000-30GM-E7R2-V15 | UC4000-30GM-E7R2-V15 | UB500-F54-U-V15 |
| UB500-G18GM75-I-V15 | UB500-G18GM75-I-V15 | UB800-18GM40A-U-V1 |
| UB2000-30GM-H3-V1 | UB2000-30GM-H3-V1 | UC1000-30GM-E6R2-K-V15 |
| UC4000-30GM-IUR2-V15 | UC4000-30GM-IUR2-V15 | UB2000-F54-E4-V15 |
| UB500-18GM75-U-V15 | UB500-18GM75-U-V15 | UB1000-18GM75-E4-V15 |
| UB4000-30GM-E4-V15 | UB4000-30GM-E4-V15 | UC1000-30GM-UYR2-K-V15 |
| UC6000-30GM-E6R2-15 | UC6000-30GM-E6R2-15 | UB2000-F54-E5-V15 |
| UB500-30GM-E4-V15 | UB500-30GM-E4-V15 | UB1000-18GM75-E5-V15 |
| UB4000-30GM-E5-V15 | UB4000-30GM-E5-V15 | UC2000-30GM-E6R2-T-V15 |
| UC6000-30GM-E7R2-V15 | UC6000-30GM-E7R2-V15 | UB2000-F54-H3-V1 |
| UB500-30GM-E5-V15 | UB500-30GM-E5-V15 | UB1000-18GM75-E6-V15 |
| UB4000-30GM-H3-V1 | UB4000-30GM-H3-V1 | UC2000-30GM-E6R2-V15 |
| UC6000-30GM-IUR2-V15 | UC6000-30GM-IUR2-V15 | UB2000-F54-I-V15 |
| UB800-18GM40A-E5-V1 | UB800-18GM40A-E5-V1 | UB1000-18/GM75-E7-V15 |
| UB6000-30GM-E4-V15 | UB6000-30GM-E4-V15 | UC2000-30GM-E7R2-T-V15 |
| UB500-F54-I-V15 | UB500-F54-I-V15 | UB2000-F54-U-V15 |
| UB500-18GM75-E4-V15 | UC2000-30GM-IUR2-T-V15 | UB1000-18GM75-I-V15 |
| UB1000-18GM75-U-V15 | UB500-18GM75-E5-V15 | UC2000-30GM-E7R2-V15 |
| UC2000-30GM-IUR2-T-V15 | UB2000-30GM-E4-V15 | UB500-18GM75-E4-V15 |
| UB500-18GM75-E5-V15 | UC2000-30GM-IUR2-V15 | UB1000-18GM75-U-V15 |
| UB2000-30GM-E4-V15 | UB500-18GM75-E6-V15 | UB500-18GM75-E6-V15 |
| UC2000-30GM-IUR2-V15 | UB2000-30GM-E5-V15 | UB2000-30GM-E5-V15 |
| UB500-18GM75-E7-V15 | UC4000-30GM-E6R2-V15 | UC4000-30GM-E6R2-V15 |
品類齊全
省心省力,一站購齊
一對一客服
選型詢價,快速響應
貨期保障
多倉直發,貨期無憂
正品貨源
正品保障,誠信服務




