產品型號:57BLF(57BLF English)
繞組連接方式 Winding Type————————星形 Star
霍爾反映角度 Hall Effect Angle————————120o 電角度 Electrical angle
絕緣等級 Insulation Class——————————B
環境溫度 Ambient Temperature Range——————————-20℃~+50℃
絕緣電阻 Insulation Resistanc——————————MIN100MΩ . 500V
介電強度 Dielectric Strength——————————700V AC 1Minute
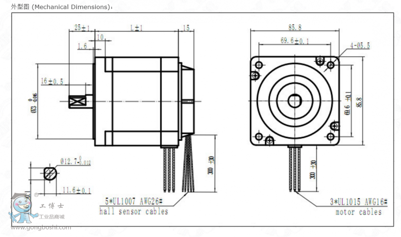
| 型號 |
機身長 |
57BLF01
57BLF02
57BLF03 |
59mm
80mm
101mm
|






