產品型號: 17HM(42BYGHM 0.9°)
步距角精度---------------------------------±5%
溫升----------------------------80℃ Max.
周圍溫度范圍---------- -20℃~+50℃
絕緣電阻-----------100MΩ Min.50V DC
絕緣強度-----------------500V AC 1minute
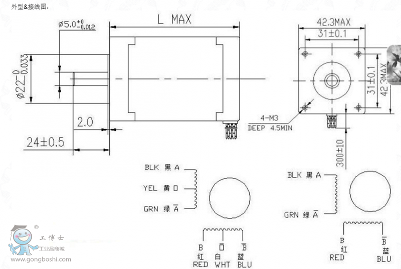
| 型號 |
機身長 |
17HM3XXX
17HM4XXX
17HM5XXX |
33mm
40mm
48mm
|

