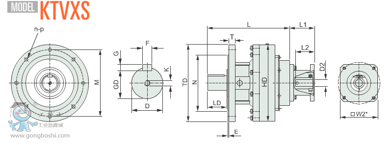
| 機型 |
KTVXS-1511 |
KTVXS-1811 |
KTVXS-2211 |
KTVXS-1815 |
KTVXS-2215 |
KTVXS-2715 |
KTVXS-3315 |
KTVXS-3915 |
外
型
尺
寸 |
TD |
210 |
250 |
300 |
250 |
300 |
370 |
450 |
520 |
| HD |
216 |
252 |
305 |
252 |
305 |
367 |
450 |
526 |
| L |
271 |
310 |
353 |
314 |
356 |
394 |
469 |
560 |
安
裝
尺
寸 |
T |
12 |
20 |
25 |
20 |
25 |
30 |
35 |
40 |
| E |
4 |
4 |
4.5 |
4 |
4.5 |
5 |
5 |
8 |
| N |
140 |
180 |
230 |
180 |
230 |
270 |
350 |
420 |
| M |
175 |
215 |
265 |
215 |
265 |
320 |
400 |
470 |
| n |
6 |
6 |
6 |
6 |
6 |
8 |
10 |
10 |
| p |
11 |
11 |
14 |
11 |
14 |
16 |
18 |
22 |
| K |
M8 |
M8 |
M10 |
M8 |
M10 |
M12 |
M16 |
M24 |
出
力
軸 |
D |
35 |
45 |
60 |
45 |
60 |
70 |
90 |
100 |
| F |
10 |
14 |
18 |
14 |
18 |
20 |
25 |
28 |
| G |
8 |
9 |
11 |
9 |
11 |
12 |
14 |
16 |
| GD |
30 |
39.5 |
53 |
39.5 |
53 |
62.5 |
81 |
90 |
| LD |
58 |
72 |
80 |
72 |
80 |
95 |
115 |
150 |
伺
服
電
機 |
L1 |
按配套電動機 |
| L2 |
| D2 |
| W2 |
| 概重 KGS |
38 |
55 |
90 |
60 |
95 |
148 |
250 |
350 |
|
| 機型 |
KTVXS-2718 |
KTVXS-3318 |
KTVXS-3918 |
KTVXS-4518 |
KTVXS-2722 |
KTVXS-3322 |
KTVXS-3922 |
KTVXS-4522 |
外
型
尺
寸 |
TD |
370 |
450 |
520 |
520 |
370 |
450 |
520 |
520 |
| HD |
367 |
450 |
526 |
580 |
367 |
450 |
526 |
580 |
| L |
411 |
486 |
568 |
630 |
412 |
486 |
566 |
610 |
安
裝
尺
寸 |
T |
30 |
35 |
40 |
40 |
30 |
35 |
40 |
40 |
| E |
5 |
5 |
8 |
8 |
5 |
5 |
8 |
8 |
| N |
270 |
350 |
420 |
420 |
270 |
350 |
420 |
420 |
| M |
320 |
400 |
470 |
470 |
320 |
400 |
470 |
470 |
| n |
8 |
10 |
10 |
10 |
8 |
10 |
10 |
10 |
| p |
16 |
18 |
22 |
22 |
16 |
18 |
22 |
22 |
| K |
M12 |
M16 |
M20 |
M20 |
M12 |
M16 |
M20 |
M20 |
出
力
軸 |
D |
70 |
90 |
100 |
120 |
70 |
90 |
100 |
120 |
| F |
20 |
25 |
28 |
32 |
20 |
25 |
28 |
32 |
| G |
12 |
14 |
16 |
18 |
12 |
14 |
16 |
18 |
| GD |
62.5 |
81 |
90 |
109 |
62.5 |
81 |
90 |
109 |
| LD |
95 |
115 |
150 |
165 |
95 |
115 |
150 |
165 |
伺
服
電
機 |
L1 |
按配套電動機 |
| L2 |
| D2 |
| W2 |
| 概重 KGS |
155 |
258 |
360 |
570 |
162 |
263 |
370 |
580 |
|
| 機型 |
KTVXS-5522 |
KTVXS-6522 |
KTVXS-3327 |
KTVXS-3927 |
KTVXS-4527 |
KTVXS-5527 |
KTVXS-6527 |
外
型
尺
寸 |
TD |
520 |
520 |
450 |
520 |
520 |
520 |
520 |
| HD |
690 |
790 |
450 |
526 |
580 |
690 |
790 |
| L |
610 |
735 |
505 |
585 |
650 |
655 |
660 |
安
裝
尺
寸 |
T |
40 |
40 |
35 |
40 |
40 |
40 |
40 |
| E |
8 |
8 |
5 |
8 |
8 |
8 |
8 |
| N |
420 |
535 |
350 |
420 |
420 |
420 |
420 |
| M |
470 |
660 |
400 |
470 |
470 |
470 |
470 |
| n |
10 |
8 |
10 |
10 |
10 |
10 |
10 |
| p |
24 |
33 |
18 |
22 |
22 |
24 |
27 |
| K |
M24 |
M24 |
M16 |
M20 |
M20 |
M24 |
M24 |
出
力
軸 |
D |
130 |
150 |
90 |
100 |
120 |
130 |
150 |
| F |
32 |
36 |
25 |
28 |
32 |
32 |
36 |
| G |
18 |
20 |
14 |
16 |
18 |
18 |
20 |
| GD |
119 |
138 |
81 |
90 |
109 |
119 |
138 |
| LD |
165 |
200 |
115 |
150 |
165 |
165 |
200 |
伺
服
電
機 |
L1 |
按配套電動機 |
| L2 |
| D2 |
| W2 |
| 概重 KGS |
- |
- |
275 |
382 |
592 |
- |
- |
|
D 軸公差為 h6 , N 尺寸公差為 h7。
外型尺寸容或變動不另行通知,確切尺寸以實體為準。
上列重量提供參考,未標示重量部份,如有需要請洽本公司。 |
|