產品簡介
EDH系列機器人外形小巧、體積小、重量輕,是*適合用于組建小型單元的機器人,能夠高速、高精度的完成上下料、分揀、裝配等各項工作。同時EDH系列機器人所有線纜優化布置,能夠在狹小的空間內靈活的進行作業,安裝方式可以選擇為地面安裝、掛裝、倒裝。
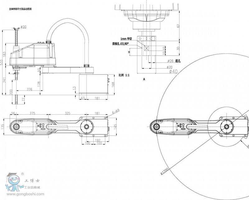
EDH-4006特性:手腕限定負載3Kg,*大負載6Kg,*大工作半徑為600mm。
產品特點
重量輕
運行速度快
重復定位精度高
內置線纜
產品應用
裝配
1.高速度、高重復定位精度
2.節省地面空間
3.超長的工作運行時間
4.較大的工作區域
5.固定的自動化
工作空間結構
