
![mf-01[1]](http://www.xyent.cn/file/upload/201607/01/10/10-25-06-28-22286.gif)
| MF 技術規格 | ||||
| 規格 | 單位 | 段數 | 減速比 | MF090 |
| 額定輸出扭矩 | Nm | 1 | 3 | 80 |
| 4 | 90 | |||
| 5 | 86 | |||
| 7 | 82 | |||
| 2 | 9 | 80 | ||
| 15 | 80 | |||
| 20 | 90 | |||
| 25 | 86 | |||
| 35 | 86 | |||
| 49 | 80 | |||
| 3 | 27 | 90 | ||
| 36 | 80 | |||
| 45 | 80 | |||
| 48 | 80 | |||
| 60 | 80 | |||
| 75 | 80 | |||
| 80 | 90 | |||
| 100 | 90 | |||
| 急停扭矩 | Nm | L1,L2,L3 | 3~100 | 2.5倍額定輸出扭矩 |
| 額定輸入轉速 | rpm | L1,L2,L3 | 3~100 | 3,000 |
| *大輸入轉速 | rpm | L1,L2,L3 | 3~100 | 4,500 |
| 標準背隙 | arcmin | L1 | 3~10 | ≤10~15 |
| L2 | 9~100 | ≤16~20 | ||
| 扭轉剛性 | Nm/arcmin | L1,L2,L3 | 3~100 | 13 |
| 容許徑向力 | N | L1,L2,L3 | 3~100 | 1,480 |
| 容許軸向力 | N | L1,L2,L3 | 3~100 | 1,010 |
| 平均使用壽命 | hr | L1,L2,L3 | 3~100 | 20,000 |
| 全負載時效率 | % | L1 | 3~10 | ≥ 96% |
| L2 | 9~100 | ≥ 93% | ||
| L3 | 27~100 | ≥ 90% | ||
| 重量 | kg | L1 | 3~10 | 3.2 |
| L2 | 9~100 | 4.0 | ||
| L3 | 27~100 | 5.0 | ||
| 使用溫度 | °C | L1,L2,L3 | 3~100 | - 10°C ~ + 90ºC |
| 潤滑 | L1,L2,L3 | 3~100 | 全合成潤滑油脂 | |
| 安裝方向 | L1,L2,L3 | 3~100 | 任意方向 | |
| 噪音值 | dBA | L1,L2,L3 | 3~100 | ≤70 |
| 1. 上述單段齒輪箱(未指定比數)相關規格,主要為使用各型號5比齒輪箱所測得之數據. | ||||
| 2. 減速比 : i = 輸入轉速/輸出轉速. | ||||
| 3. 背隙值 : 為在2%額定輸出扭矩下測試所得之數據. | ||||
| 4. *大徑向力及*大軸向力 : 施力于出力軸中心位置,周期負載時間50%,轉速100rpm,條件下所測得之數據. | ||||
| 5. 運轉負載周期<60%狀況下,平均使用壽命如列表數據值; 負載周期>=60%之連續運轉狀況下,平均使用壽命可能會降低至正常值的50%以下. | ||||
| 6. 噪音值 : 距離1公尺,空載運轉,額定輸入轉速,條件下所測得之數據. | ||||
![mf-02[1]](http://www.xyent.cn/file/upload/201607/01/10/10-26-49-48-22286.gif)
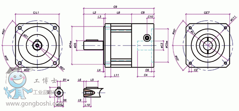
| 尺寸 | MF090 | ||
| D1 | 出力蓋導螺孔節圓直徑 | 105 | |
| D2 | 出力蓋導螺孔直徑 | 6.8 | |
| D3 | 出力軸直徑 | 18 | |
| D4 | 出力蓋引導凸緣直徑 | 80 | |
| D5 | 出力軸根圓直徑 | 20 | |
| D6 | 出力軸端面螺絲孔規格 | M6×1P | |
| D7 | 出力蓋倒圓角直徑 | 120 | |
| L1 | 出力蓋邊長 | 92 | |
| L2 | 出力軸端面到出力蓋高度 | 45 | |
| L3 | 出力蓋引導凸緣高度 | 3 | |
| L4 | 出力軸根圓高度 | 1 | |
| L5 | 鍵槽長度 | 25 | |
| L6 | 出力軸端面到鍵槽端面間隙 | 5 | |
| L8 | 本體長度 | 1 段 | 71 |
| 2 段 | 99 | ||
| 3 段 | 127 | ||
| L9 | 出力軸端沉頭孔深度 | 4 | |
| L10 | 出力軸端固定螺絲長度 | 18 | |
| L11 | 出力蓋導螺孔深度 | 10 | |
| C1 | 入力法蘭螺絲孔節圓直徑 | 100 | |
| C2 | 入力法蘭螺絲孔規格 | M6×1P | |
| C3 | 馬達軸直徑 | 14~19 | |
| C4 | 馬達軸長度 | 42.1 | |
| C5 | 馬達入力引導凸緣直徑 | 80 | |
| C6 | 馬達入力引導凸緣深度 | 5 | |
| C7 | 入力法蘭邊長 | 92 | |
| C8 | 入力法蘭高度 | 47.1 | |
| C9 | 齒輪箱全長 | 1 段 | 163.1 |
| 2 段 | 191.1 | ||
| 3 段 | 219.1 | ||
| C10 | 鎖緊孔中心距 | 12.5 | |
| C11 | 入力法蘭倒圓角直徑 | 120 | |
| B1 | 鍵槽寬度 | 6 | |
| H1 | 出力軸+鍵總高度 | 20.5 | |
| 1. C1~C6 為公制標準馬達連接板尺寸,尺寸依搭配伺服馬達而改變. | |||
品類齊全
省心省力,一站購齊
一對一客服
選型詢價,快速響應
貨期保障
多倉直發,貨期無憂
正品貨源
正品保障,誠信服務




