BD|SENSORS 壓力變送器采用不同的傳感器技術,結合不銹鋼和多種塑料殼體,適用于幾乎所有工業氣體和液體。我們的工業壓力變送器有多種電氣接口和壓力接口可供選擇,可滿足幾乎所有應用需求。

BD SENSORS壓力變送器17.609G針對用戶對電氣連接、過程連接、輸出信號和殼體材質的要求,為用戶量身定制的高性價比產品。
以下是BD SENSORS壓力變送器17.609G特點:
焊接式不銹鋼硅傳感器
精度(根據BFSL):0.25 % FSO
額定量程:從0…6bar 至0…60bar ,-1…6bar至-1…60bar
輸出信號:標準4...20mA/2線制 可選0...10V/3線制 0.5...4.5V/3線制比例輸出;
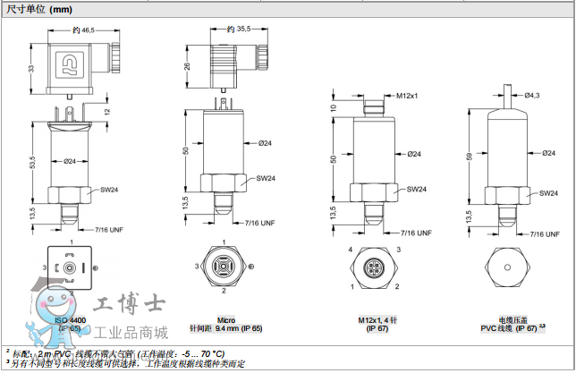
壓力接口:7/16"-20UNF
【產品技術參數】

![MY]`)HVFH}]7$777`S[O$DR](http://www.xyent.cn/file/upload/201605/04/13/13-57-35-54-21307.png)
![{Y@6RHZZ))BAZPJEA970]7B](http://www.xyent.cn/file/upload/201605/04/13/13-59-09-17-21307.png)
【訂購選型】

本公司鄭重承諾,凡從我公司定購此品牌產品如收到貨物時發現有假貨仿貨均以10倍金額賠償.