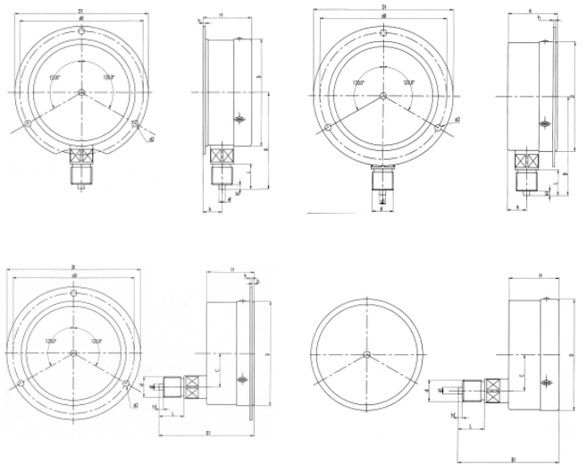
產品簡介
Y-060 Y-100 Y-150系列
一般壓力表適用于測量無爆炸,不結晶、不凝固及對銅合金不起腐蝕作用的液體
或氣體等介質的壓力。儀表的測量系統由接頭、彈簧管和傳動機構組成。通過指針指示儀表
讀數。
外徑 60、100、150 一般壓力表有徑向直接安裝、徑向后帶邊凸裝、徑向前帶邊嵌裝、
軸向直接安裝、軸向前邊嵌裝等多種安裝型號可供選擇。
主要技術參數
精度等級: ф60、2.5%,ф100、ф150、1.5%
測量范圍: 負壓 -0.1-0;-0.1-0.06 至 -0.1-2.4MPa
正壓ф60 0-0.1 至 0-25MPa -0.1-2.4MPa
ф100、ф150 0-0.1 至 0-60MPa 0-25MPa
工作壓力: 靜負荷用至測量上限值的 3/4,交變負
荷用至測量上限的 2/3,短時壓力用
至測量上限值。
正常工作環境溫度: -40~70℃
(相對濕度不大于 85%)
溫度影響: 使用溫度偏離 20 ± 5℃時,其誤差變
化不大于 0.6%/10℃ more than0.6%/10℃
波登管 / 接頭: 磷青銅波登管與黃銅接頭錫焊接。
高溫型,不銹鋼波登管 40% 銀焊
接可選。
儀表機芯: 銅合金正裝結構,ф60“C20”型為反裝型
儀表外殼: ST13 噴黑塑
表盤: 鋁制,黑色
表玻璃: 普通玻璃
連接螺紋: 60 M14 × 1.5; 100/150 M20 × 1.5
其他標準可選

量程

(60) 幾何尺寸


單位

100、150 幾何尺寸圖