
|
店鋪基本資料信息
|
|||||||||||||||||||||||
Global King 雙梁鋼絲繩葫蘆 (Top Running)
額定載荷 5000 - 20000 公斤
Yale Global King鋼絲繩葫蘆專為采用公制標準的國際市場用戶量身定做。
公司具有 140 年的起重機生產經驗,同時結合*新的生產技術與材料工藝,嚴格的設計標準并采用高品質的產品部件,才能創造出這款行業一流的鋼絲繩葫蘆。
Global King 葫蘆是目前市場上*具有競爭力的鋼絲繩葫蘆之一。它有著業內領先的安全產品特性、靈活的配置和大量產品選項,包括更長的起升高度、特殊的控制選項以及面對危險環境的防爆型號。因著這些特點,可以保證即使在繁重的工作環境下,Global King 葫蘆具有使用簡便,并且使用壽命長的特點。
雙梁鋼絲繩葫蘆特性:
· 1、鋼絲繩卷筒
采用高質鋼材制造而成的鋼絲繩卷筒采用深溝槽設計,同時還配有導繩機構,可以有效地幫助鋼絲繩的準確排繩,確保操作安全的同時延長鋼絲繩及卷筒的使用壽命。鋼絲繩頂端配三顆高強度金屬鎖扣鎖緊,并且當處于吊鉤低位時,頂端仍留有三卷余量,保證操作的安全性。
· 2、高強度 DC 盤式制動器
高強度的 DC 盤式制動器制動性能可達到標準扭矩的2倍,從而實現快速、主動的剎車及抱緊功能。
· 3、葫蘆起升電機
雙速葫蘆起升電機,高低速比為4:1,可以滿足您低速運行準確定位及高速運行快速起降的全面工作要求。電機的設計和制造為起重行業所量身定制。
· 4、齒輪傳動機構
· 油浸式齒輪傳動機構采用三級降速設計,精加工的齒輪組在防滲漏的鑄鋁齒輪箱中運行。
5、低凈空
· 低凈空設計保證*大的吊鉤行走距離。
6、限位器 (未在圖中顯示)
· 鋼絲繩葫蘆標配上下端旋片式電路限位器,另外可選配觸碰式頂端限位器。同時機器標配有過載保護裝置,保障操作安全性。
7、可旋轉吊鉤
· 小車標配有可旋轉吊鉤,吊鉤可在水平360度、垂直180度的范圍內自由旋轉,方便負重的裝卸。
小車特性:
· 1、電子化葫蘆動作監測卡
選配PulseTM 監測卡,可記錄運行的重要信息,有助于故障排除,減少維護成本。另有選配 Pulse 監測電腦接口套裝,可方便地在電腦中讀取數據。
· 2、小車
小車機構可以方便地調節以適應不同的軌道寬度。標配小車防墜落特性。標配小車防撞塊。
· 3、葫蘆和小車控制箱
鋼絲繩葫蘆主機及小車控制部件封閉控制箱具有 NEMA 4/12 的防護等級。控制部分可以實現的主要功能包括:鋼絲繩葫蘆動作監測功能(可選),電機過熱保護功能以及鋼絲繩葫蘆過載保護功能等。電氣部件方便更換。葫蘆起升電機及小車可以雙速調節,以便平滑加速及負載準確定位。
· 4、小車車輪
高強度的鋼制小車車輪能夠平滑地運行在符合 ASCE 標準或其他方形鋼梁上。小車兩側各有一驅動輪帶動*大負載平穩同步運行。5 噸小車是由單一電機通過齒輪減速驅動兩側車輪同步運行。其他噸位的小車都含有雙驅動。
技術參數
Global King 雙梁 Top-Running & Deck-Mount 鋼絲繩葫蘆 技術參數:
|
技術指標 |
Global King Top-Running & Deck-Mount 雙梁鋼絲繩葫蘆 |
||||
|
框架尺寸 |
B |
C |
D |
||
|
額定載荷 |
5t |
10t |
15t |
16t |
20t |
|
工作級別 |
FEM 2m |
||||
|
鋼絲繩 |
四繩每列 9mm |
四繩每列 12mm |
四繩每列 15mm |
六繩每列 15mm |
六繩每列 15mm |
|
導繩器 |
標配 |
||||
|
下吊鉤組 |
360° 旋轉銷安裝配安全搭扣 |
360° 旋轉固定安裝配安全搭扣 |
|||
|
齒輪組 |
油浸式斜齒輪 |
||||
|
起重電機 (TEFC, IP54) |
雙速鼠籠電機,4:1 速比;F級絕緣等級,帶 TAS, 符合 FEM S3 持續接電率 |
||||
|
葫蘆制動 |
直流盤式制動器 |
||||
|
葫蘆控制 |
電磁接觸器——標配雙速控制 |
||||
|
上下限位 |
NEMA 4 上/下控制電路 |
||||
|
缺相檢測及保護 |
標配 |
||||
|
主電路熔斷保護 |
標配 |
||||
|
電機過熱保護 |
標配電機熱敏開關 |
||||
|
葫蘆運行監控器 |
可選 |
||||
|
過載保護裝置 |
標配 NEMA 4/12 |
||||
|
小車齒輪箱 |
*蝸輪蝸桿式 |
*斜齒輪傳動方式 |
|||
|
小車電機 |
*單速 VFC, 帶TAS, 連續工作 30 分鐘,F級防護 |
*單速VFC, 帶TAS, S3, 連續工作 24 分鐘,F級防護 |
|||
|
小車制動 |
*可選 |
標配 50% 力矩的交流盤式制動器 |
|||
|
小車控制 |
標配兩檔可變頻率控制 |
||||
|
小車車輪 |
*203mm 雙踏面設計,球墨鑄鐵 @187 - 255 BHN |
* ø160mm 雙踏面設計 |
*ø200mm 雙踏面設計 |
||
|
小車防撞 |
*標配 |
||||
|
軸承 |
全部抗摩擦 |
||||
|
控制箱 |
NEMA 4/12 |
||||
* 不適用于 Deck-Mount 型號。
|
葫蘆選項 |
小車選項 |
|
|
* 主回路接觸器 |
* 小車變頻控制 |
|
|
* 戶外應用 |
* 小車制動器 |
|
|
* 可選主副鉤型號 |
||
|
* 手柄控制 |
||
|
* 起升變頻控制 |
||
|
* 制動器手動釋放 |
||
|
* 重錘限位 |
||
|
* 上/下限位,四點限位 |
Global King 雙梁鋼絲繩葫蘆 Top Running 技術參數:
|
框架尺寸 |
鋼絲繩葫蘆 |
小車 |
凈重 |
|||||||
|
額定載荷 |
起升高度 |
起升高度 |
標準軌道距離 |
起升速度 |
電機功率 |
鋼絲繩列數 |
變頻小車行走速度 m/min |
小車馬達功率 |
||
|
B |
5 |
25 |
7.6 |
1400 |
5.0/1.2 |
4.6/1.2 |
4 |
20/5 |
0.44 x 2 |
710 |
|
40 |
12.2 |
1700 |
760 |
|||||||
|
60 |
18.3 |
2000 |
840 |
|||||||
|
80 |
24.4 |
2000 |
1230 |
|||||||
|
C |
10 |
25 |
7.6 |
1700 |
5.0/1.2 |
9.3/2.3 |
4 |
20/5 |
0.44 x 2 |
1100 |
|
40 |
12.2 |
2000 |
1250 |
|||||||
|
60 |
18.3 |
2400 |
1480 |
|||||||
|
D |
15 |
25 |
7.6 |
1700 |
4.5/1.1 |
12.5/3.1 |
4 |
20/5 |
0.96 x 2 |
1510 |
|
40 |
12.2 |
2000 |
1600 |
|||||||
|
60 |
18.3 |
2400 |
1780 |
|||||||
|
16 |
26' - 8" |
8.1 |
2000 |
3.0/0.75 |
12.5/3.1 |
6 |
20/5 |
0.96 x 2 |
1750 |
|
|
40 |
12.2 |
2400 |
2050 |
|||||||
|
20 |
26' - 8" |
8.1 |
2000 |
3.0/0.75 |
12.5/3.1 |
6 |
20/5 |
0.96 x 2 |
1750 |
|
|
40 |
12.2 |
2400 |
2050 |
|||||||
* 以上所有數據都基于 380V-3Ph-50Hz 的情況下。
** 軌道距離必須在下單時說明。
*** 變頻小車行走速度可選其他速度,具體可咨詢銷售,*高可達 45 m/min
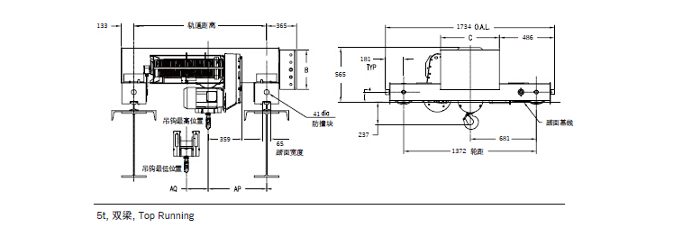
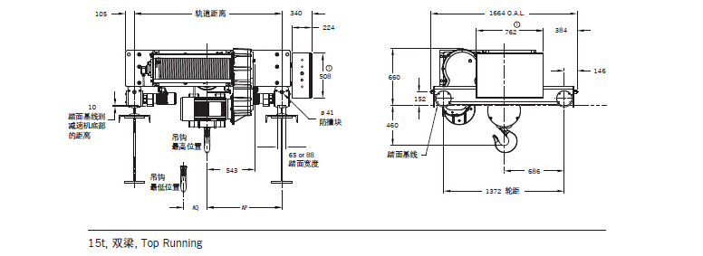
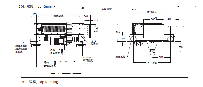
外形尺寸
Global King 雙梁鋼絲繩葫蘆 Top Running 外形尺寸:
|
框架尺寸 |
額定載荷 |
起升高度 |
起升高度 |
標準軌道距離 |
AP |
AQ |
|
B |
5 |
25 |
7.6 |
1400 |
605 |
140 |
|
40 |
12.2 |
1700 |
574 |
225 |
||
|
60 |
18.3 |
2000 |
550 |
300 |
||
|
80 |
24.4 |
2000 |
875 |
232 |
||
|
C |
10 |
25 |
7.6 |
1700 |
765 |
146 |
|
40 |
12.2 |
2000 |
875 |
232 |
||
|
60 |
18.3 |
2400 |
875 |
347 |
||
|
D |
15 |
25 |
7.6 |
1700 |
849 |
167 |
|
40 |
12.2 |
2000 |
881 |
257 |
||
|
60 |
18.3 |
2400 |
846 |
378 |
||
|
16 |
26' - 8" |
8.1 |
2000 |
733 |
171 |
|
|
40 |
12.2 |
2400 |
750 |
260 |
||
|
20 |
26' - 8" |
8.1 |
2000 |
733 |
171 |
|
|
40 |
12.2 |
2400 |
750 |
260 |






品類齊全
省心省力,一站購齊
一對一客服
選型詢價,快速響應
貨期保障
多倉直發,貨期無憂
正品貨源
正品保障,誠信服務




